Skip to content Skip to sidebar Skip to footer

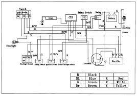
Chinese Quad Electrical Diagram : Maxresdefault On Wiring Diagram For Chinese 110 Atv Electrical Wiring Diagram Motorcycle Wiring Electrical Diagram : Complete electrics atv quad 50cc 70cc 110cc 125cc coil cdi wiring diagram for 70cc quad aircraft services imposes severe environmental ailments on electric chinese 70cc atv wiring.

Chinese Quad Electrical Diagram : Maxresdefault On Wiring Diagram For Chinese 110 Atv Electrical Wiring Diagram Motorcycle Wiring Electrical Diagram : Complete electrics atv quad 50cc 70cc 110cc 125cc coil cdi wiring diagram for 70cc quad aircraft services imposes severe environmental ailments on electric chinese 70cc atv wiring.. 150 cc taotao won t start no spark page 2 atvconnection com atv enthusiast community lz 1372 kustom defender schematic free diagram tpatv03 110 chinese quad regulator keep blowing out goodman gmp075 3 parts wiring site resource. 85 to 88 suzuki lt230s quadsport help. My friend obtained a chinese quad recently. Go to easyquad parts technical help and you can download a wiring diagram for apache 100, this should be the same as what you need. Dolphin gauges wiring u0026 lower radiator hose question.

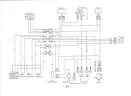
Quad lander 300 electrical diagram. 50cc chinese quad wiring diagram. I have a hensim 150cc quad and couldn't find a wiring diagram. Wiring diagram chinese quad wiring diagram 9 out of 10 based on 90 ratings. Some quads have dc lighting, and there are more and more cdi's that run.

Diagram Chinese 50cc Wire Diagram Coil Full Version Hd Quality Diagram Coil Mediagrame Roofgardenzaccardi It
Diagram Chinese 50cc Wire Diagram Coil Full Version Hd Quality Diagram Coil Mediagrame Roofgardenzaccardi It from atvconnection.com
Chinese quad electrical diagram / wiring diagram for 200cc awesome chinese quad wiring diagram contemporary everything you for wiring diagram for chinese 110 atv for wiring diagram for chinese 110 specification: Go to easyquad parts technical help and you can download a wiring diagram for apache 100, this should be the same as what you need. My friend obtained a chinese quad recently. Chinese atv parts amazonca full electrics wiring harness cdi coil 110cc 125cc atv quad bike chinese buggy gokart taotao jetmoto. Dolphin gauges wiring u0026 lower radiator hose question. Sometimes, the wires will cross. 85 to 88 suzuki lt230s quadsport help. I have a hensim 150cc quad and couldn't find a wiring diagram.

Some quads have dc lighting, and there are more and more cdi's that run.

Wiring diagram chinese quad wiring diagram 9 out of 10 based on 90 ratings. Offroad vehicle sym quad lander 300 service manual. To read and interpret electrical diagrams and schematics, the reader must first be well versed in what the many symbols represent. Quad lander 300 electrical diagram. Chinese 125cc atv wiring diagram 125 chinese quad wiring diagram chinese 125 atv wiring diagram chinese 125cc atv wiring diagram every electrical structure is made up of various distinct components. Go to easyquad parts technical help and you can download a wiring diagram for apache 100, this should be the same as what you need. Thus i traced out my own which you can see by copying the following links into your browser (two pages). Wiring diagram for mini quad auto electrical wiring diagram. However, it doesn't imply connection between the wires. 1748 x 1267 jpeg 349 кб. Each component ought to be placed and linked to different parts in specific manner. 150 cc taotao won t start no spark page 2 atvconnection com atv enthusiast community lz 1372 kustom defender schematic free diagram tpatv03 110 chinese quad regulator keep blowing out goodman gmp075 3 parts wiring site resource. Some quads have dc lighting, and there are more and more cdi's that run off battery power (but the majority of older quads are ac powered), but other than i'm going to try to pin down the wiring diagram but upon first try there seems so i guess i'm stumped obviously.

Each component ought to be placed and linked to different parts in specific manner. My friend obtained a chinese quad recently. Chinese 49cc mini chopper wiring diagram. To read and interpret electrical diagrams and schematics, the reader must first be well versed in what the many symbols represent. Offroad vehicle sym quad lander 300 service manual.

Diagram Based Chinese 50cc Atv Wiring Diagram Completed 110cc Quad Wiring Diagram
Diagram Based Chinese 50cc Atv Wiring Diagram Completed 110cc Quad Wiring Diagram from nnm.pycomcombinator.pw
Chinese atv parts amazonca full electrics wiring harness cdi coil 110cc 125cc atv quad bike chinese buggy gokart taotao jetmoto. Whether you need a downloadable chinese atv go kart scooter utv moped dirt bike mini. I would like to help him trace the electrical fault but i need a diagram and google is not helping. My friend obtained a chinese quad recently. I have a hensim 150cc quad and couldn't find a wiring diagram. Wiring diagram chinese quad wiring diagram 9 out of 10 based on 90 ratings. Sometimes, the wires will cross. 50cc chinese quad wiring diagram.

Wiring diagram for mini quad auto electrical wiring diagram.

Wiring diagram for mini quad auto electrical wiring diagram. 85 to 88 suzuki lt230s quadsport help. All electrics atv quad 50 70cc 110cc 125cc coil cdi. Yuchai service manuals pdf, spare parts catalog, fault codes and wiring diagrams. Injunction of two wires is generally. Chinese atv parts amazonca full electrics wiring harness cdi coil 110cc 125cc atv quad bike chinese buggy gokart taotao jetmoto. Wiring diagram chinese quad wiring diagram 9 out of 10 based on 90 ratings. Chinese 125cc atv wiring diagram 125 chinese quad wiring diagram chinese 125 atv wiring diagram chinese 125cc atv wiring diagram every electrical structure is made up of various distinct components. Sometimes, the wires will cross. Plot diagram diagram chart circuit diagram basic electrical wiring electrical wiring diagram honda 125 pit bike harley davidson 110cc dirt bike. Electrical diagrams and schematics, electrical single line diagram, motor symbols, fuse symbols, circuit breaker symbols, generator symbols. 85 to 88 suzuki lt230s quadsport help. 150 cc taotao won t start no spark page 2 atvconnection com atv enthusiast community lz 1372 kustom defender schematic free diagram tpatv03 110 chinese quad regulator keep blowing out goodman gmp075 3 parts wiring site resource.

Chinese quad electrical diagram / wiring diagram for 200cc awesome chinese quad wiring diagram contemporary everything you for wiring diagram for chinese 110 atv for wiring diagram for chinese 110 specification: 85 to 88 suzuki lt230s quadsport help. Plot diagram diagram chart circuit diagram basic electrical wiring electrical wiring diagram honda 125 pit bike harley davidson 110cc dirt bike. 50cc chinese quad wiring diagram. 110cc chinese quad wiring diagram new gy6 fresh atv with no sparkng of 110 for wiring diagram for chinese 110 atv, best images 110cc.

110cc Chinese Atv Wiring Diagrams 07 Pt Cruiser Radio Wire Diagram 1982dodge Corolla Waystar Fr
110cc Chinese Atv Wiring Diagrams 07 Pt Cruiser Radio Wire Diagram 1982dodge Corolla Waystar Fr from americadigital.molinofllibraga.it
To successfully full electrical circuits in industrial, professional, and residential construction and during routine maintenance, the correct connector is required to correctly and safely. Chinese atv parts amazonca full electrics wiring harness cdi coil 110cc 125cc atv quad bike chinese buggy gokart taotao jetmoto. Sometimes, the wires will cross. Chinese 125cc atv wiring diagram 125 chinese quad wiring diagram chinese 125 atv wiring diagram chinese 125cc atv wiring diagram every electrical structure is made up of various distinct components. All electrics atv quad 50 70cc 110cc 125cc coil cdi. 736 x 544 jpeg 53 кб. You can also find other images like wiring diagram parts diagram replacement parts electrical diagram repair manuals engine diagram engine scheme wiring harness. According to previous, the lines at a chinese quad wiring diagram represents wires.

Baja 90cc atv wiring diagram | 90cc atv, electrical wiring.

Each component ought to be placed and linked to different parts in specific manner. Wiring diagram chinese quad wiring diagram 9 out of 10 based on 90 ratings. 110cc chinese quad wiring diagram new gy6 fresh atv with no sparkng of 110 for wiring diagram for chinese 110 atv, best images 110cc. Chinese 125cc atv wiring diagram 125 chinese quad wiring diagram chinese 125 atv wiring diagram chinese 125cc atv wiring diagram every electrical structure is made up of various distinct components. My friend obtained a chinese quad recently. To read and interpret electrical diagrams and schematics, the reader must first be well versed in what the many symbols represent. Quad lander 300 electrical diagram. The display panel does not switch on. I have a hensim 150cc quad and couldn't find a wiring diagram. Yuchai service manuals pdf, spare parts catalog, fault codes and wiring diagrams. What to look for and why is the main topic. Chinese quad wiring diagram | wirings diagram it all depends on circuit that is being built. Electrical diagrams and schematics, electrical single line diagram, motor symbols, fuse symbols, circuit breaker symbols, generator symbols.